服务热线
13176784160
18016003392
伊清依托多名工业过滤器领域的设计制造专家,在高精度过滤领域,积累了丰富的研制经验;EZS多管高精度过滤系统,亦称烛式过滤系统,外压式过滤方式,是在一密闭的容器里配置多支支撑管,支撑管上套有根据料液特性选择的专用滤布,当液体经过滤布时,会在滤布外表面逐步搭桥集聚液体中的固体物质,当这些固体物质达到一定厚度时,就形成了所谓的“滤饼层”,从而形成高精度过滤;
当“滤饼层”超过一定厚度时,滤液通过滤饼层的速率降低,过滤效率变差,这时就需要清除“滤饼层”,然后需要构建新的“滤饼层”,开始新一轮的过滤周期;
“滤饼层”的厚度控制、滤渣清理、新滤饼层重建、滤液质量的监控是EZS过滤系统的四大技术要点;
伊清流体采用国际先进的微电脑控制技术,独创工艺设计,精工制造,实现了整机系统的全自动运行,安全可靠;能够适用于高含杂量、粘性液体、极高精度、高温等多种特殊过滤场合。
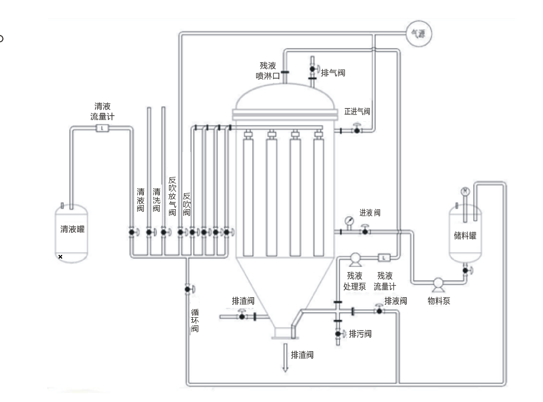
EZS烛式过滤器的工作流程
1,充液;2,颗粒物搭桥形成滤饼;3,过滤;4,排液;5,干燥;6,脱饼;7,排渣;8,滤布/滤元清洗;
EZS烛式过滤器的工作原理(见右图) 
               
1,打开“进液阀”,启动“物料泵”,液体注入过滤器腔体,同时过滤器顶端“排气阀”自动打开,排出过滤器腔体内空气;
2,当过滤器腔体注满液体时,“排气阀”自动关闭,“循环阀”自动打开,原料罐中的液体通过“进液阀”注入过滤器,从“循环阀”排回物料罐,循环过滤开始,滤芯上的滤饼层逐渐产生并增厚;
3,当滤饼层达到一定厚度时,滤液变清。滤液经自动检测或取样检测达到质量要求时,“循环阀”自动关闭,“清液阀”自动打开,正式过滤开始,过滤后的液体排至“清液罐”。当“清液流量计”流量小于一定数值时,说明过滤器需要清渣处理。首先,“正进气阀”自动打开,“进液阀”自动关闭,将过滤器腔体内留存液体滤出。当过滤器腔体内与滤芯等高的液体全部滤出后,打开“排液阀“,使过滤器腔体下部无法滤出的残液通过“排液阀”排入原料罐。(当工艺要求不允许将残液回流至“原料罐”时,“排液阀”不打开,而是启动“残液泵”,将残液泵送至“残液喷淋口”喷入过滤器,从“正进气阀”充入的压缩气体将喷淋的残液滤出至“清液罐”。当“残液流量计”检测到腔内无残液时,残液过滤系统自动关闭,排液工作完成。)
4,当过滤器腔体内液体全部排出后,关闭“排液阀”,从“正进气阀”充入压缩气体,打开“清液阀”或“循环阀”,排出压缩气体。通过滤芯的压缩气体使滤饼迅速干燥;
5,当滤饼干燥后,关闭“正进气阀”、“清液阀”或“循环阀”,打开“反吹阀”充入压缩空气,滤袋膨胀,滤饼脱落,然后关闭“反吹阀”,打开“反吹放气阀”排气,滤袋回缩。这样的过程反复几次,套在滤芯上的滤布反复膨胀和收缩,使滤饼迅速脱落;
打开“排气阀”排出气体后,“排渣阀”打开,脱落的滤饼渣排出过滤器。当排渣阀堵塞或排渣不畅时,打开“辅助排渣阀”,充入压缩空气,促进排渣;
6,排渣后,“排渣阀”和“辅助排渣阀”关闭,打开“清洗阀”注入清洗液,打开“排污阀”,排出清洗液。滤布在清洗液的反复冲洗下,恢复过滤效果。(根据物料化学性质选择不同清洗液和清洗方法)
注:进液阀、出液阀、滤芯阀、排液阀、排渣阀、正进气阀、反吹阀为基本配置;循环阀、反吹放气阀、清洗阀、辅助排渣口、残液处理口、残液喷淋口为用户选择配置。
EZS烛式过滤器的产品特性
1,使用便捷:EZS高精度过滤系统,配置ECS控制系统,整机自动化运行,设置正确的参数后,无需使用较多的人力成本;2,增加得率:a,整机全封闭过滤,杜绝了运行中的跑、冒、滴、漏;b,排渣滤饼含液量少,与传统板框式过滤比,得率提高5~15%;c,传统过滤设备滤布上的滤渣难以脱落,EZS过滤器采用梅花形支撑网,卸除滤饼容易脱落,且脱落得更干净便于进一步提取滤饼中所含有的高附加值产品;d,根据客户需要,可单独设计滤饼清洗功能,有效提取滤饼中的有效成份,提升滤饼利用率;
3,品质提升:多重过滤,搭桥滤饼可实现高精度过滤,提升品质;
4,效率提升:全自动,免维护,多次重复构建滤饼层、快速脱落滤饼、快速清洗滤布;
5,成本经济:节省人工/耗材/动能;节省空间,标准型烛芯直径90毫米,高度可达2.5米,保证了流量需求,占地面积小,安装方便;
6,安全无污染:全封闭运行,杜绝产品之间、人与产品之间、企业与环境之间的交叉污染;
 
EZS烛式过滤器的适用介质
1,助滤剂(絮凝剂)类物料过滤,如:活性碳、硅藻土、高岭土、白土、珍珠岩、纤维素等;
2,含有蛋白的生物制药产品;
3,化工农药中间体的催化剂过滤或回收;
4,所有板框压滤机适用介质;
5,所有离心机适用介质。
900900藏宝阁资料 ()主营:刮刀式自清洗过滤器|刮刀过滤器|涂料过滤器|袋式过滤器|管道过滤器
传真:0537-4268788-810
地址:山东泗水经济开发区泉福路24号六号厂房
版权所有 © 2019 900900藏宝阁资料 备案号:鲁ICP备19029401号-1 管理登陆 技术支持:环保在线 GoogleSitemap
